角接触轴承零件图
2022-02-21 来源:动态图库网

高分求轴承零件图
轴承座零件图
哈理工,轴承端盖注射模设计与工作演示(带cad图)
sn723角接触球轴承尺寸图纸
skf 四点角接触球轴承qj 230 n2ma
看懂如图所示的轴承零件图,并回答下列问题
中心轴承压盖零件加工工艺及钻4-Φ9孔夹具设计
skf(斯凯孚) 单列角接触球轴承,开放型;7214 becbj
h2100型对开式二螺柱正滑动轴承液动
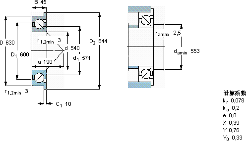
角接触球轴承, 四点接触球轴承 主要数据
免维护角接触球面滑动轴承 主要数据尺寸
ca6140车床的主轴结构图 角接触滚球轴承
中山nsk轴承 nskhps角接触球轴承 安昂现货供应
skf角接触轴承,709cdp4a系列型号,原装进口销售
轴承座零件工艺及镗φ47孔夹具设计
一,零件图的作用和内容 轴承座零件图
轴承座夹具总装图和3个零件图(cad)2716138387
skf 7040c轴承是角接触球系列轴承,内径为200mm.
nsk角接触球轴承图纸
氧化锆陶瓷角接触球轴承 7005ce
lfr系列双列角接触球轴承
角接触球轴承, 单列 主要数据尺寸
角接触球轴承, 四点接触球轴承 主要数据
角接触球轴承剖析图
timken 5216角接触球轴承
轴承座
skf ba1b311585角接触球轴承
角接触球轴承, 单列,用于配对安装, 面对
角形轴承箱加工工艺及铣50槽夹具设计【含cad图纸】
nsk 5313 双列角接触球轴承 日本nsk滚动轴承技术选型 尺寸图 图纸