ts4141引脚图
2022-04-09 来源:动态图库网

求教问下有一个三端稳压ts4141的资料你有吗?
bts4141n
bts4141n 电源开关1通道 ts4141 瞬态抑制二极管 贴片正品
【ts4142】bts4142n bts4141n it4142 ts4141 sot223
全新进口正品bts4141n ts4141质量保证 量大优惠
bts4141n 集成电路
bts4141n 参数 datasheet pdf下载
全新bts4141nts4141sot-223封装瞬态抑制二极管直拍
its4141d pdf datasheet浏览和下载
3,拆机:电源板ts4141管子损坏 4,采用l7824cv替换ts4141
三极管bts4141dbts4141n,火中
nr|高压侧电源开关 its4141n驱动器 bts4141n ts4141sg it4141
厂家供应led恒流驱动芯片sm2082
西门子s7-200plc电源模块ts4141损坏代换图
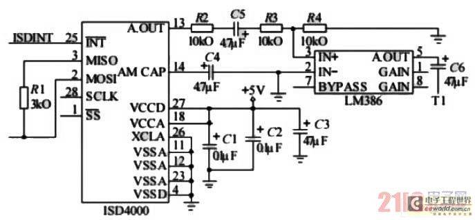
基于单片机控制的智能家庭防盗报警系统的设计