动态图库网
首页 > GIF动态图

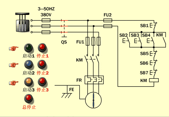
热继电器4 交流接触器3 行程开关2 闸刀开关1 按钮开关一电气动态图

2023-11-29 来源:动态图库网

闸刀75热继电器75交流接触器75红绿灯75滚轮式行程开关75多

闸刀75热继电器75交流接触器75红绿灯75滚轮式行程开关75多

继电器7时间继电器6热继电器5交流接触器4行程开关3闸刀开关2按钮开关

继电器7时间继电器6热继电器5交流接触器4行程开关3闸刀开关2按钮开关

热继电器

热继电器

正泰昆仑——ncx交流接触器.nxr热继电器.nxj中间电磁继电器

正泰昆仑——ncx交流接触器.nxr热继电器.nxj中间电磁继电器

正泰昆仑——ncx交流接触器.nxr热继电器.nxj中间电磁继电器

正泰昆仑——ncx交流接触器.nxr热继电器.nxj中间电磁继电器

滚轮式行程开关 红绿灯 机械手 交流接触器 热继电器 三相闸刀 时间

滚轮式行程开关 红绿灯 机械手 交流接触器 热继电器 三相闸刀 时间