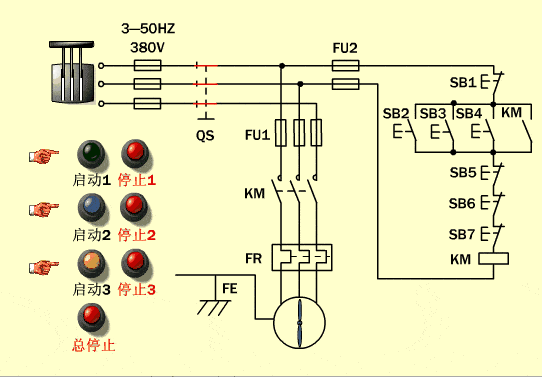
图太美!电气控制原理动态图,全都给你整理齐了
2022-03-29 来源:动态图库网

18张动态图,包含电气元件的工作原理,还有5个经典案例
高级工程师分享秘笈:电气控制原理动态图
电气基础几张高清动态图帮你快速理解电气元件工作原理
电气控制原理动态图大全,值得一看
电气百科:电气控制原理动图,一看就懂
史上最全的暖通系统动态图合集!(包含制冷原理,压缩机
史上最全的暖通系统动态图合集制冷热泵中央空调应有尽有![[分享]35张你没见过的高清动态图,你值得收藏!](/image/loading.gif)
[分享]35张你没见过的高清动态图,你值得收藏!
一目了然┃制冷系统动态图(值得收藏!
电气控制原理动态图,全都给你整理齐了
40种液压元件的工作原理动态图,直观易懂,哪几个你没见过?
史上最全传感器工作原理动态图,没有之一!你都看得懂吗?
快看!阀门动起来了,这有24种阀门工作原理动态图!
各种传感器工作原理动态图,这也太全了吧!
各类设备原理动态图,学会了堪比十年工作经历
中国工控|各种泵的工作原理动图,这才是你需要的干货!