耳放电路
2022-03-31 来源:动态图库网
![[耳放耳机] 做了n部莱曼耳放,一直做不好,调不好,不死心,又开始了.](http://pic.hifidiy.net/forum/201305/12/084727wcfzsfdcdr4nonfr.gif)
[耳放耳机] 做了n部莱曼耳放,一直做不好,调不好,不死心,又开始了.
高手评一评这个耳放电路
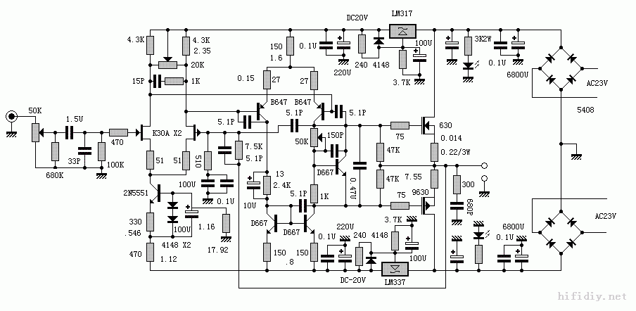
耳放电路图大全二
发了点小钱—开板做台仿ha5000电路的耳放,yy一下
耳放电路图大全二
我的两个耳放![[耳放耳机] ha5000比较热,再给加把火](/image/loading.gif)
[耳放耳机] ha5000比较热,再给加把火
50周年耳放制作指导文章-电子电路图,电子技术资料网站
yj005-莱曼(lehman)电路耳放(豪机华型)胆n音响功放板
胆石混合耳放电路图
grahamsleenovo耳放电路设计解密
这个是我的耳放电路图
此耳放与这个胆前级电路很像,但无反馈,阻容参数也不一样,你可以参考
辽宁大学耳机爱好者联盟周年耳放pcb图及线路图 欢迎提出宝贵意见
最受欢迎的kevin gilmore的甲类分立耳放耳机放大器
想做一个静电耳放,电路上有点不明白.