动态图库网
搜索
GIF
gif表情
图库
头像
首页
>
综合图库
爆炸图(5)
2021-02-01 来源:动态图库网
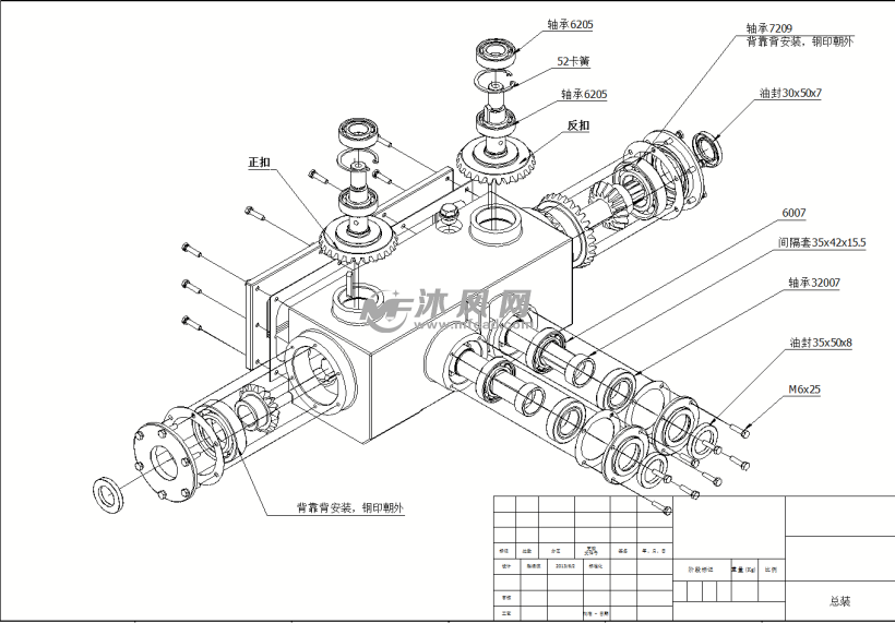
总装配爆炸图
被炮弹炸碎的士兵图片
核弹爆炸